Tu jesteś:
- SDE5-D2-O-Q6E-P-K Czujnik ciśnienia
SDE5-D2-O-Q6E-P-K Czujnik ciśnienia FESTO-542888
numer katalogowy: FESTO-542888
kategoria: Czujniki ciśnienia i podciśnienia
- Dane produktu
- Dane podstawowe
- Akcesoria
- Zdjęcia
- Dane produktu
- Dane podstawowe
- Zdjęcia
- Akcesoria
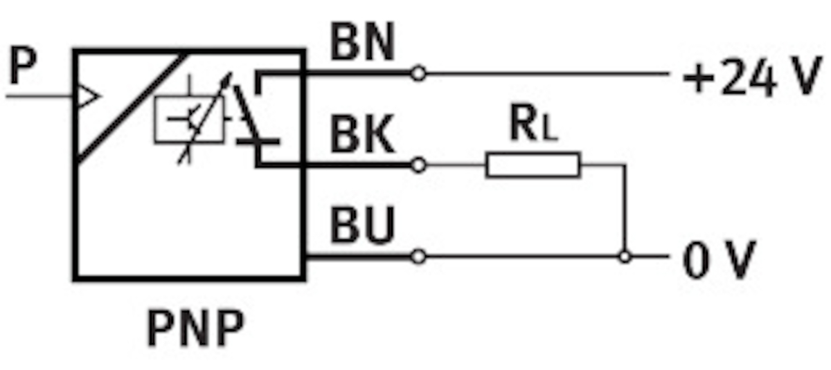
- Symbol00991887Medium roboczeSprężone powietrze wg ISO 8573-1:2010 [7:4:4]Temperatura mediumdo 50 GCTemperatura otoczeniado 50 GCInformacja o materiałachZgodność z dyrektywą RoHSUwaga dotycząca medium roboczego/sterującegoMożliwa praca ze smarowaniemWspółczynnik temperaturowy w ± %FS/Kod 0.05 YUPZabezpieczenie przeciwzwarciowetakZakres napięcia roboczego DCod 15 do 30 VOchrona przed zmianą polaryzacjido wszystkich przyłączy elektrycznychPrzyłącze elektryczne3-żyłyDługość kablaod 2.5 MTyp mocowaniaPrzy pomocy osprzętuPozycja montażudowolnyPrzyłącze pneumatyczneQS-6Waga produktuod 47 GMateriał obudowyPAStopień ochronyIP40Klasa odporności korozyjnej wg normy Festo2 - średnie obciążenie korozyjneZgodność z LABSVDMA24364-B1/B2-L
Pliki do pobrania:
- Karta Produktu
-
- Brak danych dla tego produktu
Pliki do pobrania:
- Karta Produktu
-
-
Pliki do pobrania:
- Karta Produktu
-
Skontaktuj się z nami wybierając interesujący Cię region



