Tu jesteś:
- MSB4-1/4:C3J4-WP Kombinacja zespołów przygotowania powietrza
MSB4-1/4:C3J4-WP Kombinacja zespołów przygotowania powietrza FESTO-542310
numer katalogowy: FESTO-542310
kategoria: Typoszereg MS
- Dane produktu
- Dane podstawowe
- Akcesoria
- Zdjęcia
- Dane produktu
- Dane podstawowe
- Zdjęcia
- Akcesoria
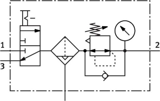
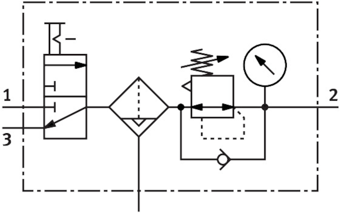
- Wielkość4SeriaMSPozycja montażuw pionie +/- 5°Normalny przepływ nominalny (znormalizowany zgodnie z DIN 1343)od 950 L2Medium roboczeSprężone powietrze wg ISO 8573-1:2010 [7:4:4]Uwaga dotycząca medium roboczego/sterującegoMożliwa praca z powietrzem olejonym (po rozpoczęciu olejenia trzeba je kontynuować)Zgodność z LABSVDMA24364-B1/B2-LTemperatura przechowywaniaod -10 do 60 GCTemperatura mediumod 5 do 60 GCTemperatura otoczeniaod 5 do 60 GCWaga produktuod 1300 GPrzyłącze pneumatyczne 1G1/4Przyłącze pneumatyczne 2G1/4Materiał obudowyAluminiowy odlew ciśnieniowy
Pliki do pobrania:
- Karta Produktu
-
- Brak danych dla tego produktu
Pliki do pobrania:
- Karta Produktu
-
-
Pliki do pobrania:
- Karta Produktu
-
Skontaktuj się z nami wybierając interesujący Cię region



