Tu jesteś:
- VMPA2-M1H-X-PI Elektrozawór
VMPA2-M1H-X-PI Elektrozawór FESTO-537961
numer katalogowy: FESTO-537961
kategoria: Uniwersalne wyspy zaworowe
Ocena średnia: Pneumat System nie weryfikuje treści opinii zamieszczanych na stronie internetowej.
(0 opinii)
- Dane produktu
- Dane podstawowe
- Akcesoria
- Zdjęcia
- Dane produktu
- Dane podstawowe
- Zdjęcia
- Akcesoria
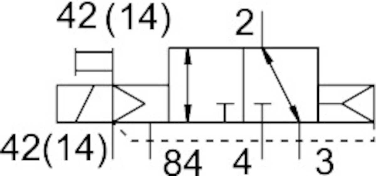
- Funkcja zaworu3/2 zamknięty monostabilnyWielkość zaworu20 MMStopień ochronyIP65Ciśnienie robocze/MPAod -0.09 do 1 MPACiśnienie robocze/BARod -0.9 do 10 BARKonstrukcjaZawór tłoczkowo-suwakowySposób powrotusprężyna pneumatycznaSposób uszczelnieniamiękkiPomocnicze sterowanie ręcznez blokadąRodzaj sterowaniasterowanie pilotemKierunek przepływurewersyjnySymbol00991175Pokrycieprzekrycie dodatnieWskaźnik stanu sygnałutakCzas wyłączaniaod 22 MSCzas włączaniaod 13 MSMaks. moment dokręcenia, mocowanie zaworuod 0.65 NMPozycja montażudowolnyCertyfikacjac UL us - Recognized (OL)Maks. dodatni impuls testowy przy sygnale 0od 400 MISMaks. ujemny impuls testowy na 1 sygnaleod 900 MISDopuszczalne wahania napięcia+/- 25%Medium roboczeSprężone powietrze wg ISO 8573-1:2010 [7:4:4]Uwaga dotycząca medium roboczego/sterującegoMożliwa praca z powietrzem olejonym (po rozpoczęciu olejenia trzeba je kontynuować)Odporność na drganiaTest odporności podczas transportu przy drganiach o stopniu intensywności 2 wg FN 942017-4 i EN 60068-2-6Odporność na wstrząsyTest odporności na wstrząsy o stopniu intensywności 2 wg FN 942017-5 i EN 60068-2-27Klasa odporności korozyjnej wg normy Festo1 - niskie obciążenie korozyjneZgodność z LABSVDMA24364-B1/B2-LTemperatura mediumod -5 do 50 GCTemperatura otoczeniaod -5 do 50 GCWaga produktuod 100 GTyp mocowaniaPrzy pomocy otworów przelotowychInformacja o materiałachZgodność z dyrektywą RoHSMateriał uszczelnieńNBRMateriał obudowyAluminiowy odlew ciśnieniowy
Pliki do pobrania:
- Karta Produktu
-
- Brak danych dla tego produktu
Pliki do pobrania:
- Karta Produktu
-
-
Pliki do pobrania:
- Karta Produktu
-
Skontaktuj się z nami wybierając interesujący Cię region



