Tu jesteś:
- VMPA1-M1H-H-M7-PI Elektrozawór
VMPA1-M1H-H-M7-PI Elektrozawór FESTO-533383
numer katalogowy: FESTO-533383
kategoria: Uniwersalne zawory rozdzielające
Ocena średnia: Pneumat System nie weryfikuje treści opinii zamieszczanych na stronie internetowej.
(0 opinii)
- Dane produktu
- Dane podstawowe
- Akcesoria
- Zdjęcia
- Dane produktu
- Dane podstawowe
- Zdjęcia
- Akcesoria
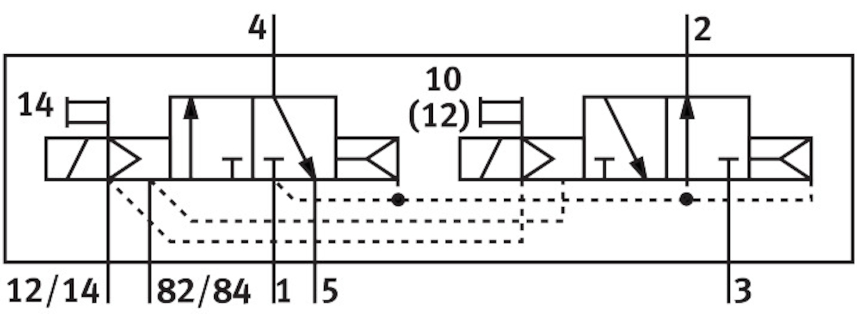
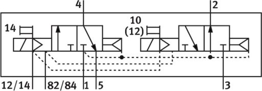
- Funkcja zaworu2x3/2 otwarty/zamknięty monostabilnyWielkość zaworu10 MMStopień ochronyIP65Ciśnienie robocze/MPAod 0.3 do 0.8 MPACiśnienie robocze/BARod 3 do 8 BARKonstrukcjaZawór tłoczkowo-suwakowySposób powrotusprężyna pneumatycznaFunkcja odpowietrzeniaz możliwością dławieniaSposób uszczelnieniamiękkiPomocnicze sterowanie ręcznez blokadąRodzaj sterowaniasterowanie pilotemPrzyłącze zasilania powietrzem pilotówwew.Kierunek przepływujednokierunkowySymbol00991813Pokrycieprzekrycie dodatnieWskaźnik stanu sygnałutakCzas wyłączaniaod 20 MSCzas włączaniaod 10 MSMaks. moment dokręcenia, mocowanie zaworuod 0.25 NMPrzyłącze pneumatyczne 4M7Pozycja montażudowolnyCertyfikacjac UL us - Recognized (OL)Znak CE (patrz deklaracja zgodności)Zgodnie z dyrektywą kompatybilności elektromagnetycznej UEZnak UKCA (patrz deklaracja zgodności)wg przepisów UK dot. EMVMaks. dodatni impuls testowy przy sygnale 0od 400 MISMaks. ujemny impuls testowy na 1 sygnaleod 200 MISDopuszczalne wahania napięcia+/- 25%Medium roboczeSprężone powietrze wg ISO 8573-1:2010 [7:4:4]Uwaga dotycząca medium roboczego/sterującegoMożliwa praca z powietrzem olejonym (po rozpoczęciu olejenia trzeba je kontynuować)Odporność na drganiaTest odporności podczas transportu przy drganiach o stopniu intensywności 2 wg FN 942017-4 i EN 60068-2-6Odporność na wstrząsyTest odporności na wstrząsy o stopniu intensywności 2 wg FN 942017-5 i EN 60068-2-27Klasa odporności korozyjnej wg normy Festo1 - niskie obciążenie korozyjneZgodność z LABSVDMA24364-B1/B2-LTemperatura mediumod -5 do 50 GCTemperatura otoczeniaod -5 do 50 GCWaga produktuod 143 GPrzyłącze elektryczne4-pinTyp mocowaniaPrzy pomocy otworów przelotowychPrzyłącze pneumatyczne 1M7Przyłącze pneumatyczne 2M7Przyłącze pneumatyczne 3M7Przyłącze pneumatyczne 5M7Informacja o materiałachZgodność z dyrektywą RoHSMateriał uszczelnieńNBRMateriał obudowyAluminiowy odlew ciśnieniowy
Pliki do pobrania:
- Karta Produktu
-
- Brak danych dla tego produktu
Pliki do pobrania:
- Karta Produktu
-
-
Pliki do pobrania:
- Karta Produktu
-
Skontaktuj się z nami wybierając interesujący Cię region



