Tu jesteś:
- CPVSC1-M1H-D-P Elektrozawór
CPVSC1-M1H-D-P Elektrozawór FESTO-527573
numer katalogowy: FESTO-527573
kategoria: Uniwersalne wyspy zaworowe
Ocena średnia: Pneumat System nie weryfikuje treści opinii zamieszczanych na stronie internetowej.
(0 opinii)
- Dane produktu
- Dane podstawowe
- Akcesoria
- Zdjęcia
- Dane produktu
- Dane podstawowe
- Zdjęcia
- Akcesoria
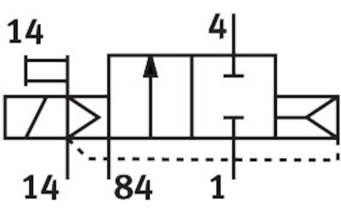
- Funkcja zaworu2/2 zamknięty monostabilnyWielkość zaworu10 MMStopień ochronyIP40Ciśnienie robocze/MPAod -0.09 do 0.7 MPACiśnienie robocze/BARod -0.9 do 7 BARKonstrukcjaZawór tłoczkowo-suwakowySposób powrotusprężyna pneumatycznaFunkcja odpowietrzeniabez dławieniaSposób uszczelnieniamiękkiPomocnicze sterowanie ręcznez blokadąRodzaj sterowaniasterowanie pilotemPrzyłącze zasilania powietrzem pilotówzewn.Kierunek przepływujednokierunkowySymbol00991057Pokrycieprzekrycie dodatnieCzas wyłączaniaod 10 MSCzas włączaniaod 10 MSPrzyłącze pneumatyczne 4Płyta przyłączeniowaPozycja montażudowolnyMaks. dodatni impuls testowy przy sygnale 0od 400 MISMaks. ujemny impuls testowy na 1 sygnaleod 200 MISParametry cewki22 V DC: 1,0 WMedium roboczeSprężone powietrze wg ISO 8573-1:2010 [7:4:4]Uwaga dotycząca medium roboczego/sterującegoMożliwa praca z powietrzem olejonym (po rozpoczęciu olejenia trzeba je kontynuować)Odporność na drganiaTest odporności podczas transportu przy drganiach o stopniu intensywności 2 wg FN 942017-4 i EN 60068-2-6Odporność na wstrząsyTest odporności na wstrząsy o stopniu intensywności 2 wg FN 942017-5 i EN 60068-2-27Klasa odporności korozyjnej wg normy Festo1 - niskie obciążenie korozyjneZgodność z LABSVDMA24364-B2-LTemperatura otoczeniaod -5 do 50 GCWaga produktuod 27 GPrzyłącze elektryczne2-pinTyp mocowaniaPrzy pomocy otworów przelotowychPrzyłącze pneumatyczne 1Przyłącze zbiorczePrzyłącze pneumatyczne 2Płyta przyłączeniowaInformacja o materiałachZgodność z dyrektywą RoHSMateriał uszczelnieńNBRMateriał obudowyAluminiowy odlew ciśnieniowy
Pliki do pobrania:
- Karta Produktu
-
- Brak danych dla tego produktu
Pliki do pobrania:
- Karta Produktu
-
-
Pliki do pobrania:
- Karta Produktu
-
Skontaktuj się z nami wybierając interesujący Cię region



