Tu jesteś:
- VOFC-LT-M32C-MC-FG13-F19 Zawór
VOFC-LT-M32C-MC-FG13-F19 Zawór FESTO-4527268
numer katalogowy: FESTO-4527268
Ocena średnia: Pneumat System nie weryfikuje treści opinii zamieszczanych na stronie internetowej.
(0 opinii)
- Dane produktu
- Dane podstawowe
- Akcesoria
- Zdjęcia
- Dane produktu
- Dane podstawowe
- Zdjęcia
- Akcesoria
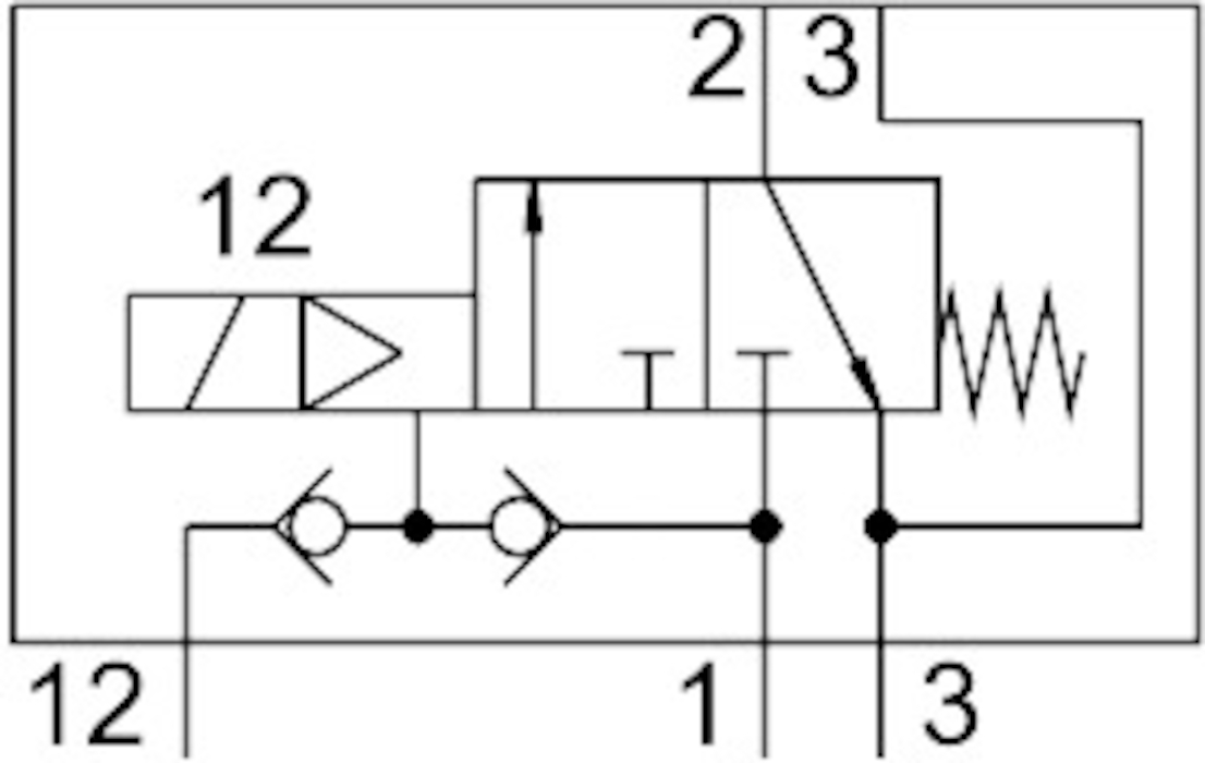
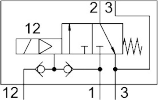
- Funkcja zaworu3/2 zamknięty monostabilnyStopień ochronyIP65Ciśnienie robocze/MPAod 0.2 do 0.8 MPACiśnienie robocze/BARod 2 do 8 BARKonstrukcjawstępnie wysterowany zawór grzybkowySposób powrotusprężyna mechanicznaJednostka certyfikującaTÜV 968/V 1251.00/21Sposób uszczelnieniatwardyPomocnicze sterowanie ręcznebrakRodzaj sterowaniasterowanie pilotemPrzyłącze zasilania powietrzem pilotówzewn.Kierunek przepływujednokierunkowySymbol00995569Czas wyłączaniaod 14 MSCzas włączaniaod 25 MSPozycja montażudowolnyMedium roboczeSprężone powietrze wg ISO 8573-1:2010 [7:2:2]Klasa odporności korozyjnej wg normy Festo4 - wyjątkowo silne obciążenie korozyjneZgodność z LABSVDMA24364-strefa IIITemperatura mediumod -25 do 60 GCTemperatura otoczeniaod -25 do 60 GCWaga produktuod 900 GPrzyłącze pneumatyczne 1G1/2Przyłącze pneumatyczne 2Kołnierz 1/2Przyłącze pneumatyczne 3G1/2Informacja o materiałachZgodność z dyrektywą RoHSMateriał uszczelnieńNBRMateriał obudowyAluminium ematalizowane
Pliki do pobrania:
- Karta Produktu
-
- Brak danych dla tego produktu
Pliki do pobrania:
- Karta Produktu
-
-
Pliki do pobrania:
- Karta Produktu
-
Skontaktuj się z nami wybierając interesujący Cię region



