Tu jesteś:
- BMFH-2-3-M5 Elektrozawór
BMFH-2-3-M5 Elektrozawór FESTO-4522
numer katalogowy: FESTO-4522
kategoria: Uniwersalne zawory rozdzielające
Ocena średnia: Pneumat System nie weryfikuje treści opinii zamieszczanych na stronie internetowej.
(0 opinii)
- Dane produktu
- Dane podstawowe
- Akcesoria
- Zdjęcia
- Dane produktu
- Dane podstawowe
- Zdjęcia
- Akcesoria
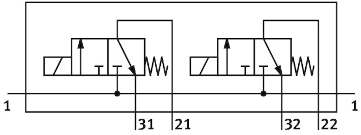
- Funkcja zaworu2x3/2 zamknięty monostabilnyStopień ochronyIP65Ciśnienie robocze/MPAdo 0.8 MPACiśnienie robocze/BARdo 8 BARKonstrukcjaZawór gniazdowy ze sprężyną powrotnąSposób powrotusprężyna mechanicznaSposób uszczelnieniamiękkiRodzaj sterowaniabezpośrednieSymbol00991653Medium roboczeSprężone powietrze wg ISO 8573-1:2010 [7:-:-]Uwaga dotycząca medium roboczego/sterującegoMożliwa praca z powietrzem olejonym (po rozpoczęciu olejenia trzeba je kontynuować)Zgodność z LABSVDMA24364-B2-LTemperatura mediumod -10 do 60 GCTemperatura otoczeniaod -5 do 40 GCWaga produktuod 245 GPrzyłącze elektryczneWtyczkaTyp mocowaniaPrzy pomocy otworów przelotowychPrzyłącze pneumatyczne 1G1/8Przyłącze pneumatyczne 2M5Przyłącze pneumatyczne 3M5Materiał obudowyAluminium
Pliki do pobrania:
- Karta Produktu
-
- Brak danych dla tego produktu
Pliki do pobrania:
- Karta Produktu
-
-
Pliki do pobrania:
- Karta Produktu
-
Skontaktuj się z nami wybierając interesujący Cię region



