Tu jesteś:
- VOFC-LT-M32C-MC-G14-F19 Zawór
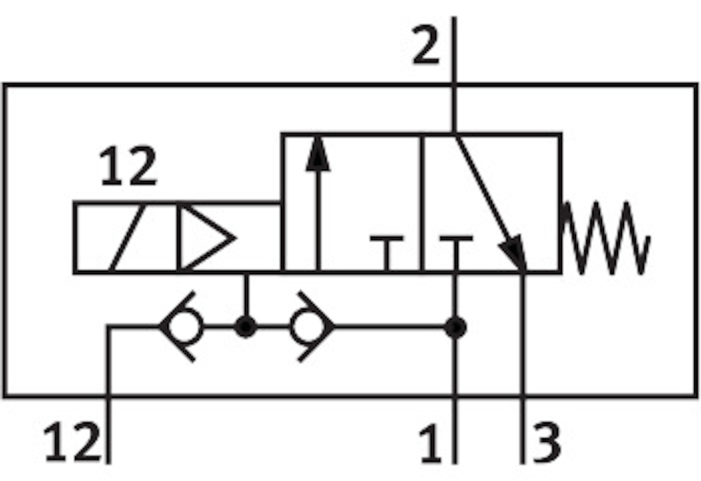
VOFC-LT-M32C-MC-G14-F19 Zawór FESTO-4514740
numer katalogowy: FESTO-4514740
Ocena średnia: Pneumat System nie weryfikuje treści opinii zamieszczanych na stronie internetowej.
(0 opinii)
- Dane produktu
- Dane podstawowe
- Akcesoria
- Zdjęcia
- Dane produktu
- Dane podstawowe
- Zdjęcia
- Akcesoria
- Funkcja zaworu3/2 zamknięty monostabilnyStopień ochronyIP65Ciśnienie robocze/MPAod 0.1 do 0.8 MPACiśnienie robocze/BARod 1 do 8 BARKonstrukcjawstępnie wysterowany zawór grzybkowySposób powrotusprężyna mechanicznaJednostka certyfikującaTÜV 968/V 1251.00/21Sposób uszczelnieniatwardyPomocnicze sterowanie ręcznebrakRodzaj sterowaniasterowanie pilotemPrzyłącze zasilania powietrzem pilotówzewn.Kierunek przepływujednokierunkowySymbol00992275Czas wyłączaniaod 18 MSCzas włączaniaod 24 MSPozycja montażudowolnyMedium roboczeSprężone powietrze wg ISO 8573-1:2010 [7:2:2]Klasa odporności korozyjnej wg normy Festo4 - wyjątkowo silne obciążenie korozyjneZgodność z LABSVDMA24364-strefa IIITemperatura mediumod -25 do 60 GCTemperatura otoczeniaod -25 do 60 GCWaga produktuod 550 GPrzyłącze pneumatyczne 1G1/4Przyłącze pneumatyczne 2G1/4Przyłącze pneumatyczne 3G1/4Informacja o materiałachZgodność z dyrektywą RoHSMateriał uszczelnieńNBRMateriał obudowyAluminium ematalizowane
Pliki do pobrania:
- Karta Produktu
-
- Brak danych dla tego produktu
Pliki do pobrania:
- Karta Produktu
-
-
Pliki do pobrania:
- Karta Produktu
-
Skontaktuj się z nami wybierając interesujący Cię region



