Tu jesteś:
- OS-PK-3-6/3 Blok sum logicznych LUB
OS-PK-3-6/3 Blok sum logicznych LUB FESTO-4232
numer katalogowy: FESTO-4232
kategoria: Zawory logiczne
- Dane produktu
- Dane podstawowe
- Akcesoria
- Zdjęcia
- Dane produktu
- Dane podstawowe
- Zdjęcia
- Akcesoria
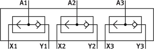
- Funkcja zaworuFunkcja LUBPrzyłącze pneumatyczne 1PK-3Przyłącze pneumatyczne 2PK-3Typ mocowaniaMontaż na panelu przednimNormalny przepływ nominalny (znormalizowany zgodnie z DIN 1343)od 100 L2Ciśnienie roboczeod 1.6 do 8 BARTemperatura otoczeniaod -10 do 60 GCMateriał obudowyPolioksymetylenMedium roboczeSprężone powietrze wg ISO 8573-1:2010 [7:-:-]Średnica nominalnaod 2.5 MMPozycja montażudowolnySymbol00991457Uwaga dotycząca medium roboczego/sterującegoMożliwa praca z powietrzem olejonym (po rozpoczęciu olejenia trzeba je kontynuować)Zgodność z LABSVDMA24364-B1/B2-LTemperatura mediumod -10 do 60 GCWaga produktuod 90 GPrzyłącze pneumatyczne 3PK-3Materiał uszczelnieńNBR
Pliki do pobrania:
- Karta Produktu
-
- Brak danych dla tego produktu
Pliki do pobrania:
- Karta Produktu
-
-
Pliki do pobrania:
- Karta Produktu
-
Skontaktuj się z nami wybierając interesujący Cię region



