Tu jesteś:
- FVS-3-1/8 Zawór z pretem sprezystym
FVS-3-1/8 Zawór z pretem sprezystym FESTO-3876
numer katalogowy: FESTO-3876
Ocena średnia: Pneumat System nie weryfikuje treści opinii zamieszczanych na stronie internetowej.
(0 opinii)
- Dane produktu
- Dane podstawowe
- Akcesoria
- Zdjęcia
- Dane produktu
- Dane podstawowe
- Zdjęcia
- Akcesoria
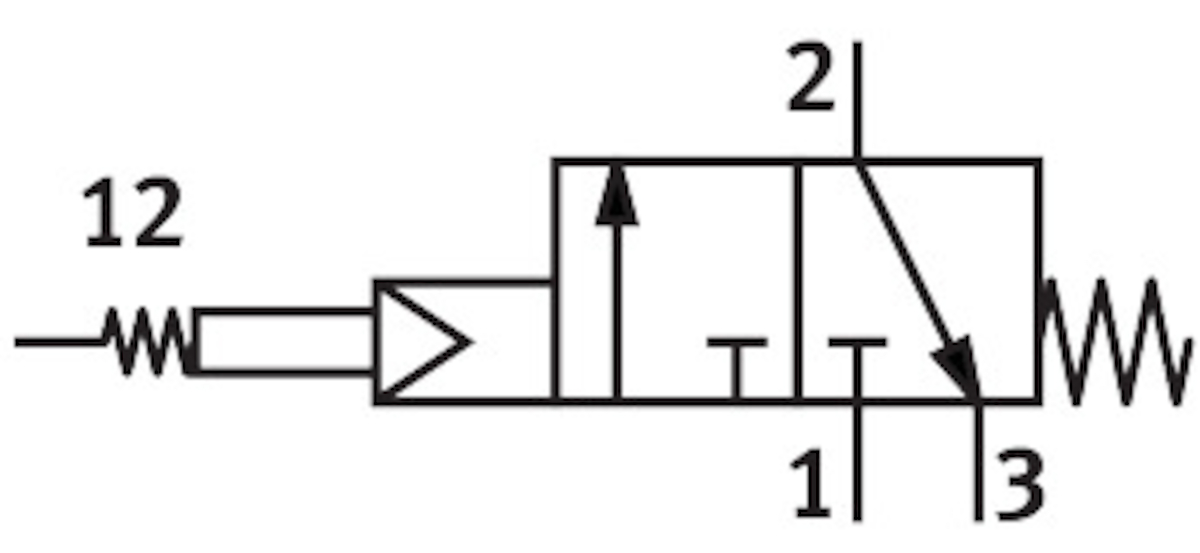
- Funkcja zaworu3/2 zamknięty monostabilnyCiśnienie robocze/MPAod 0.35 do 0.8 MPACiśnienie robocze/BARod 3.5 do 8 BARKonstrukcjaGniazdo talerzoweSposób powrotusprężyna mechanicznaFunkcja odpowietrzeniaz możliwością dławieniaSposób uszczelnieniamiękkiRodzaj sterowaniasterowanie pilotemPrzyłącze zasilania powietrzem pilotówwew.Kierunek przepływujednokierunkowySymbol00991119Pozycja montażudowolnyMedium roboczeSprężone powietrze wg ISO 8573-1:2010 [-:-:-]Uwaga dotycząca medium roboczego/sterującegoMożliwa praca z powietrzem olejonym (po rozpoczęciu olejenia trzeba je kontynuować)Klasa odporności korozyjnej wg normy Festo2 - średnie obciążenie korozyjneZgodność z LABSVDMA24364-B1/B2-LTemperatura mediumod -10 do 60 GCMedium sterujące (dla pilotów)Sprężone powietrze wg ISO 8573-1:2010 [-:-:-]Temperatura otoczeniaod -10 do 60 GCWaga produktuod 130 GTyp mocowaniaPrzy pomocy otworów przelotowychPrzyłącze pneumatyczne 1G1/8Przyłącze pneumatyczne 2G1/8Przyłącze pneumatyczne 3G1/8Informacja o materiałachZgodność z dyrektywą RoHSMateriał uszczelnieńNBRMateriał obudowyAluminium
Pliki do pobrania:
- Karta Produktu
-
- Brak danych dla tego produktu
Pliki do pobrania:
- Karta Produktu
-
-
Pliki do pobrania:
- Karta Produktu
-
Skontaktuj się z nami wybierając interesujący Cię region



