Tu jesteś:
- K-3-M5 Zawór z przyciskiem
K-3-M5 Zawór z przyciskiem FESTO-3660
numer katalogowy: FESTO-3660
- Dane produktu
- Dane podstawowe
- Akcesoria
- Zdjęcia
- Dane produktu
- Dane podstawowe
- Zdjęcia
- Akcesoria
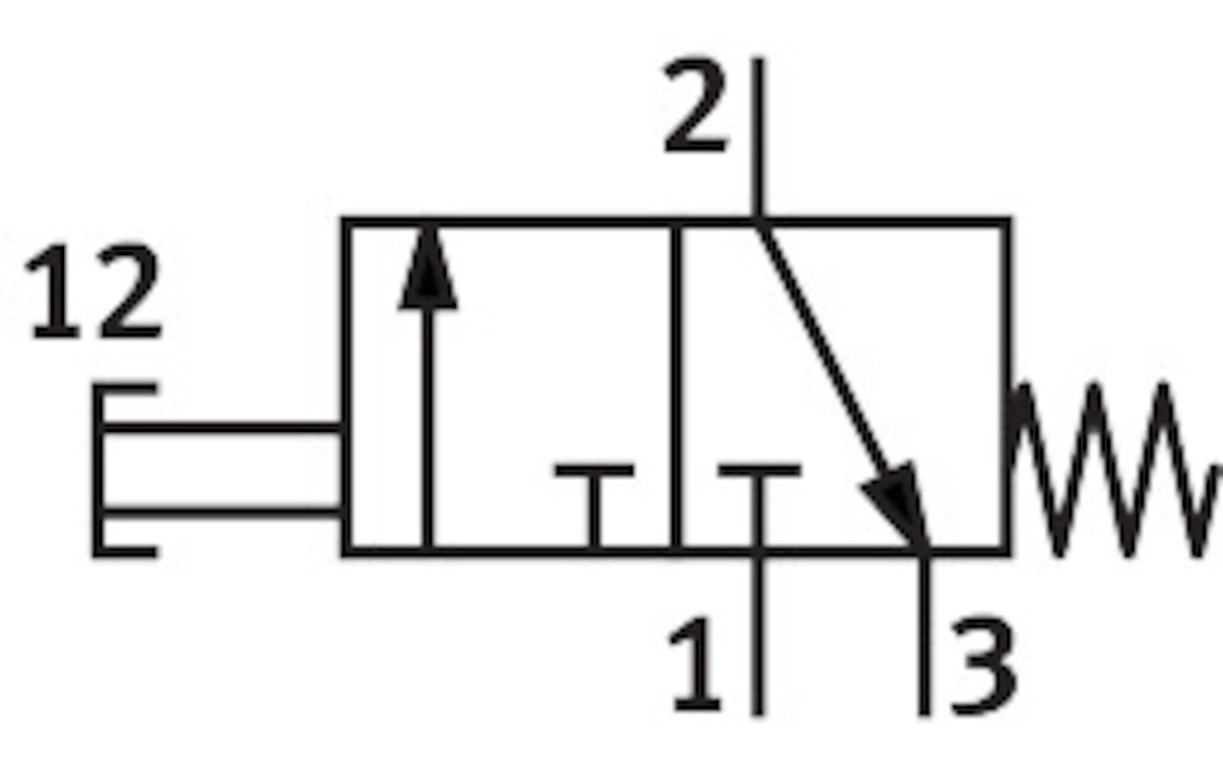
- Funkcja zaworu3/2 zamknięty monostabilnyKonstrukcjaTłoczkowo-gniazdowaRodzaj sterowaniabezpośrednieSymbol00991098Medium roboczeSprężone powietrze wg ISO 8573-1:2010 [-:-:-]Uwaga dotycząca medium roboczego/sterującegoMożliwa praca z powietrzem olejonym (po rozpoczęciu olejenia trzeba je kontynuować)Zgodność z LABSVDMA24364-B1/B2-LTemperatura otoczeniaod -10 do 60 GCWaga produktuod 28 GTyp mocowaniaPrzy pomocy otworów przelotowychPrzyłącze pneumatyczne 1M5Przyłącze pneumatyczne 2M5Materiał uszczelnieńNBRMateriał obudowyCynkowy odlew kokilowy
Pliki do pobrania:
- Karta Produktu
-
- Brak danych dla tego produktu
Pliki do pobrania:
- Karta Produktu
-
-
Pliki do pobrania:
- Karta Produktu
-
Skontaktuj się z nami wybierając interesujący Cię region



