Tu jesteś:
- VHER-P-H-B43U-B-G12 Zawór z dźwignią ręczną
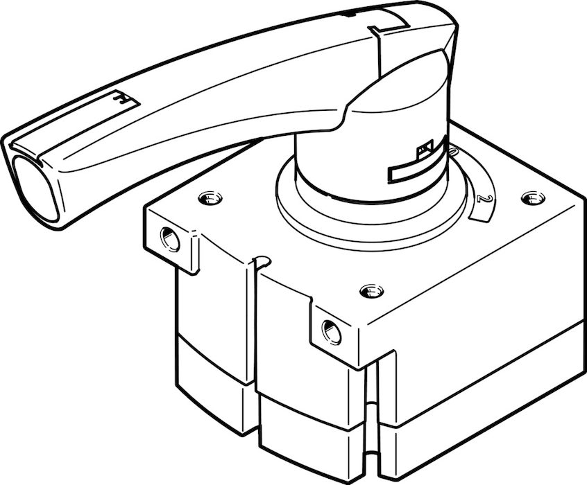
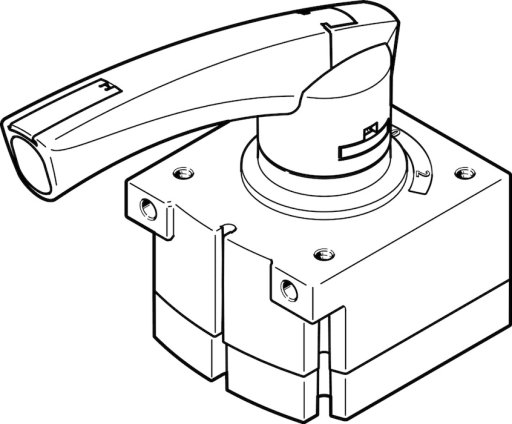
VHER-P-H-B43U-B-G12 Zawór z dźwignią ręczną FESTO-3192084
numer katalogowy: FESTO-3192084
- Dane produktu
- Dane podstawowe
- Akcesoria
- Zdjęcia
- Dane produktu
- Dane podstawowe
- Zdjęcia
- Akcesoria
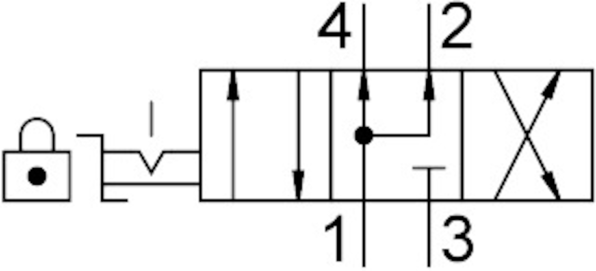
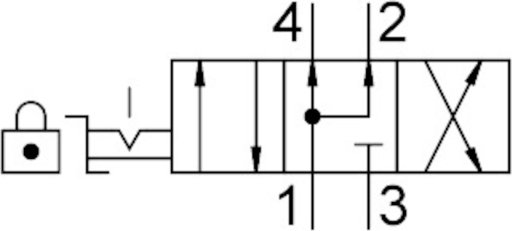
- Funkcja zaworu4/3 zasilonyKonstrukcjaZawór z obrotowym suwakiemFunkcja odpowietrzeniaz możliwością dławieniaSposób uszczelnieniatwardyRodzaj sterowaniabezpośrednieKierunek przepływujednokierunkowySymbol00995946Przyłącze pneumatyczne 4G1/2Medium roboczeSprężone powietrze wg ISO 8573-1:2010 [7:4:4]Uwaga dotycząca medium roboczego/sterującegoMożliwa praca z powietrzem olejonym (po rozpoczęciu olejenia trzeba je kontynuować)Klasa odporności korozyjnej wg normy Festo2 - średnie obciążenie korozyjneZgodność z LABSVDMA24364-B1/B2-LTemperatura mediumod -20 do 80 GCTemperatura otoczeniaod -20 do 80 GCWaga produktuod 740 GTyp mocowaniaopcjonalnie:Przyłącze pneumatyczne 1G1/2Przyłącze pneumatyczne 2G1/2Przyłącze pneumatyczne 3G1/2Informacja o materiałachZgodność z dyrektywą RoHSMateriał uszczelnieńNBRMateriał obudowyAluminiowy odlew ciśnieniowy
Pliki do pobrania:
- Karta Produktu
-
- Brak danych dla tego produktu
Pliki do pobrania:
- Karta Produktu
-
-
Pliki do pobrania:
- Karta Produktu
-
Skontaktuj się z nami wybierając interesujący Cię region



