Tu jesteś:
- PMBL-90-HP3-E Moduł rozgałęziąjacy
PMBL-90-HP3-E Moduł rozgałęziąjacy FESTO-2663892
numer katalogowy: FESTO-2663892
kategoria: Pojedyncze urządzenia
Ocena średnia: Pneumat System nie weryfikuje treści opinii zamieszczanych na stronie internetowej.
(0 opinii)
- Dane produktu
- Dane podstawowe
- Akcesoria
- Zdjęcia
- Dane produktu
- Dane podstawowe
- Zdjęcia
- Akcesoria
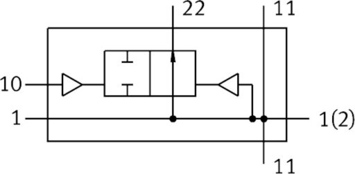
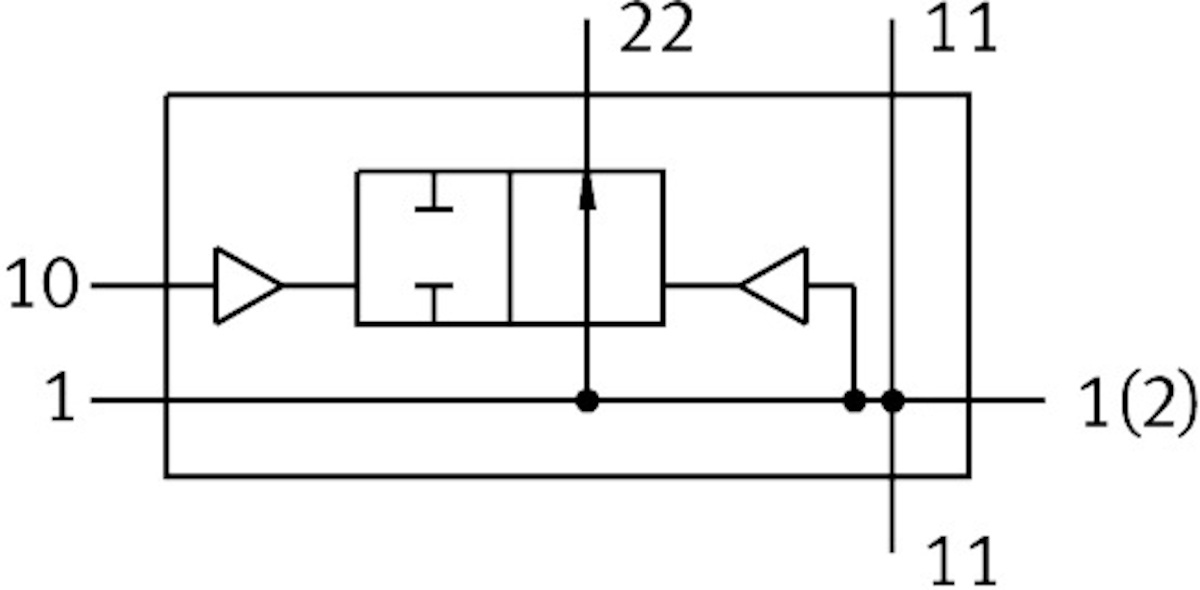
- Wielkość90Średnica nominalna DN36Ciśnienie pilotado 50 BARPozycja montażudowolnyKonstrukcjaModuł rozgałęziającySymbol00995259Ciśnienie robocze/MPAdo 5 MPACiśnienie robocze/BARdo 50 BARZnak CE (patrz deklaracja zgodności)zgodne z dyrektywą UE w sprawie urządzeń ciśnieniowychZnak UKCA (patrz deklaracja zgodności)wg przepisów UK dotyczącymi urządzeń ciśnieniowychMedium roboczeSprężone powietrze wg ISO 8573-1:2010 [7:4:4]Temperatura przechowywaniaod -10 do 60 GCDopuszczenie do branży spożywczejpatrz rozszerzone informacje o materialeTemperatura mediumod 5 do 60 GCMateriał uszczelnieńNBRKlasa odporności korozyjnej wg normy Festo2 - średnie obciążenie korozyjneZgodność z LABSVDMA24364-strefa IIITemperatura otoczeniaod 5 do 60 GCWaga produktuod 2600 GInformacja o materiałachZgodność z dyrektywą RoHSMateriał obudowyStop aluminium do przeróbki plastycznej
Pliki do pobrania:
- Karta Produktu
-
- Brak danych dla tego produktu
Pliki do pobrania:
- Karta Produktu
-
-
Pliki do pobrania:
- Karta Produktu
-
Skontaktuj się z nami wybierając interesujący Cię region



