Tu jesteś:
- CPV14-M1H-VI95-2GLS-1/8 Generator podciśnienia
CPV14-M1H-VI95-2GLS-1/8 Generator podciśnienia FESTO-185871
numer katalogowy: FESTO-185871
kategoria: Generatory podciśnienia
- Dane produktu
- Dane podstawowe
- Akcesoria
- Zdjęcia
- Dane produktu
- Dane podstawowe
- Zdjęcia
- Akcesoria
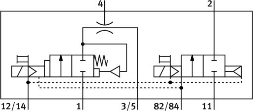
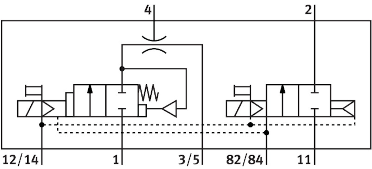
- Pozycja montażudowolnyCharakterystyka eżektorawysokie podciśnienieTemperatura otoczeniado 50 GCWaga produktuod 114 GSymbol00991561Maks. podciśnienieod 85 %Medium roboczeSprężone powietrze wg ISO 8573-1:2010 [7:4:4]Uwaga dotycząca medium roboczego/sterującegoMożliwa praca z powietrzem olejonym (po rozpoczęciu olejenia trzeba je kontynuować)Klasa odporności korozyjnej wg normy Festo1 - niskie obciążenie korozyjneZgodność z LABSVDMA24364-B1/B2-LTemperatura mediumdo 50 GCTyp mocowaniaPrzy pomocy otworów przelotowychPrzyłącze pneumatyczne 1Płyta przyłączeniowaPrzyłącze pneumatyczne 3Płyta przyłączeniowaPrzyłącze podciśnieniaG1/8Informacja o materiałachZgodność z dyrektywą RoHSMateriał obudowyAluminiowy odlew ciśnieniowy
Pliki do pobrania:
- Karta Produktu
-
- Brak danych dla tego produktu
Pliki do pobrania:
- Karta Produktu
-
-
Pliki do pobrania:
- Karta Produktu
-
Skontaktuj się z nami wybierając interesujący Cię region



