Tu jesteś:
- PREL-186-HP3-V1-V-40CFX-1 Elektryczny regulator ciśnienia
PREL-186-HP3-V1-V-40CFX-1 Elektryczny regulator ciśnienia FESTO-1709212
numer katalogowy: FESTO-1709212
kategoria: Pojedyncze urządzenia
Ocena średnia: Pneumat System nie weryfikuje treści opinii zamieszczanych na stronie internetowej.
(0 opinii)
- Dane produktu
- Dane podstawowe
- Akcesoria
- Zdjęcia
- Dane produktu
- Dane podstawowe
- Zdjęcia
- Akcesoria
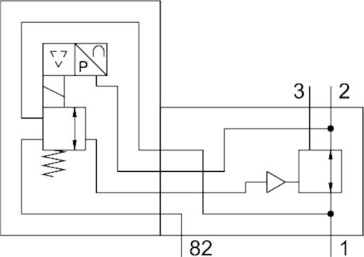
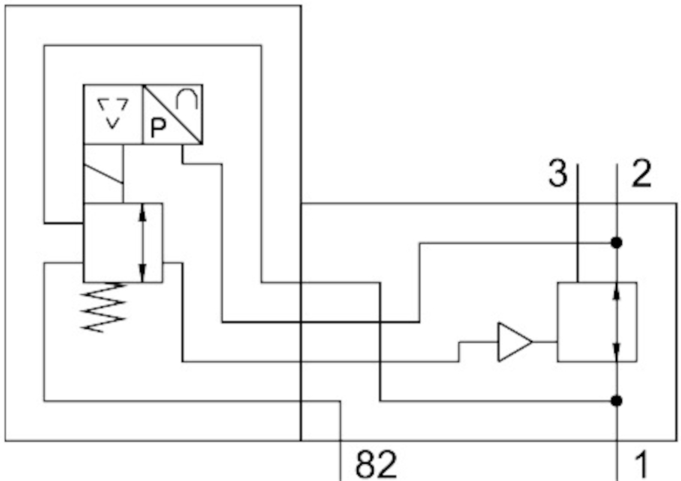
- Wielkość186Średnica nominalna DN45SeriaLPozycja montażupionowoSposób uruchamianiaelektrycznieKonstrukcjaelektryczny regulator ciśnieniaFunkcja regulatoraStałe ciśnienie wyjścioweSymbol00995417Ciśnienie robocze/MPAdo 5 MPACiśnienie robocze/BARdo 50 BARZakres regulacji ciśnieniaod 0.4 do 40 BARMaks. histereza ciśnieniaod 0.806 BARZnamionowe napięcie robocze DCod 24 VZakres wyjściowego sygnału analogowego0 - 10 VZakres wejściowego sygnału analogowego0 - 10 VWartość zadana/rzeczywistaWariant napięciowy 0 - 10 VCertyfikacjaSpecial Equipment Type Test CertificationZnak CE (patrz deklaracja zgodności)zgodne z dyrektywą UE w sprawie urządzeń ciśnieniowychZnak UKCA (patrz deklaracja zgodności)wg przepisów UK dotyczącymi urządzeń ciśnieniowychMedium roboczeSprężone powietrze wg ISO 8573-1:2010 [7:4:4]Klasa odporności korozyjnej wg normy Festo2 - średnie obciążenie korozyjneZgodność z LABSVDMA24364-strefa IIITemperatura przechowywaniaod -10 do 60 GCDopuszczenie do branży spożywczejpatrz rozszerzone informacje o materialeTemperatura mediumod 5 do 50 GCTemperatura otoczeniaod 5 do 50 GCPrzyłącze elektryczne INWtyczka, M12, 5-pin, z kodowaniem APrzyłącze elektryczne OUTWtyczka, M12, 5-pin, kodowanie ATyp mocowaniaopcjonalnie:Przyłącze pneumatyczne 1G1Przyłącze pneumatyczne 11G1/4Przyłącze pneumatyczne 2G1Przyłącze pneumatyczne 22G1/4Przyłącze pneumatyczne 3G1Przyłącze pneumatyczne 82G1/2Informacja o materiałachZgodność z dyrektywą RoHSMateriał pokrywy dolnejAluminium anodowaneMateriał sprężynyStal sprężynowaMateriał obudowyAluminium anodowane
Pliki do pobrania:
- Karta Produktu
-
- Brak danych dla tego produktu
Pliki do pobrania:
- Karta Produktu
-
-
Pliki do pobrania:
- Karta Produktu
-
Skontaktuj się z nami wybierając interesujący Cię region



