Tu jesteś:
- PREL-90-HP3-V1-V-20CFX-S1-2 Elektryczny regulator ciśnienia
PREL-90-HP3-V1-V-20CFX-S1-2 Elektryczny regulator ciśnienia FESTO-1709129
numer katalogowy: FESTO-1709129
kategoria: Pojedyncze urządzenia
Ocena średnia: Pneumat System nie weryfikuje treści opinii zamieszczanych na stronie internetowej.
(0 opinii)
- Dane produktu
- Dane podstawowe
- Akcesoria
- Zdjęcia
- Dane produktu
- Dane podstawowe
- Zdjęcia
- Akcesoria
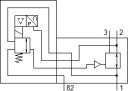
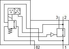
- Bezpieczeństwo żywnościPatrz dodatkowe informacje materiałoweCiśnienie robocze0 - 50 barCiśnienie robocze MPa0 - 5 MPaDopuszczenieSE Type Test CertificationElectrical connection INWtyczka, M12, 5-pin, A-codedFunkcja sterowaniaZ odpowietrzeniem wtórnym, Z kompensacją ciśnienia początkowego, Stale ciśnienie wyjścioweKlasa odporności na korozję CRC2 – Średnia odporność na korozjęKonstrukcjaElektrycznie ustawiany regulator ciśnieniaMateriał obudowyAnodowane aluminiumMateriał pokrywy na doleAnodowane aluminiumMateriał sprężynyStal sprężynowaMedium roboczeSprężone powietrze wg ISO8573-1:2010 [7:4:4], Gazy obojętneNominalne napięcie robocze DCod 24 VPozycja zabudowyPionowaPrzyłącze elektryczne OUTWtyczka, M12, 5-pin, A-codedPrzyłącze pneumatyczne 1G1Przyłącze pneumatyczne 11G1/4Przyłącze pneumatyczne 2G1Przyłącze pneumatyczne 22G1/4Przyłącze pneumatyczne 3G1Przyłącze pneumatyczne 82G3/8SeriaLSposób montażuNa zespole przygotowania powietrza, Przy pomocy osprzętu, Do wyboru:Sposób uruchomieniaElektrycznyŚrednica nominalna DN24Temperatura medium5 - 50 °CTemperatura otoczenia5 - 50 °CTemperatura przechowywania-10 - 60 °CUwaga dotycząca materiałówZgodne z RoHS, Zawierają substancje PWISWaga produktuod 6100 gWartość zadana/Wartość aktualnaTyp napięcia 0 – 10VWielkość90Zakres regulacji ciśnienia0,5 - 20 barZakres wejściowego sygnału analogowego0 - 10 VZakres wyjściowego sygnału analogowego0 - 10 V
Pliki do pobrania:
- Karta Produktu
-
- Brak danych dla tego produktu
Pliki do pobrania:
- Karta Produktu
-
-
Pliki do pobrania:
- Karta Produktu
-
Skontaktuj się z nami wybierając interesujący Cię region



