Tu jesteś:
- CPV10-M1H-2X3-OLS-M7 Elektrozawór
CPV10-M1H-2X3-OLS-M7 Elektrozawór FESTO-161417
numer katalogowy: FESTO-161417
kategoria: Uniwersalne wyspy zaworowe
Ocena średnia: Pneumat System nie weryfikuje treści opinii zamieszczanych na stronie internetowej.
(0 opinii)
- Dane produktu
- Dane podstawowe
- Akcesoria
- Zdjęcia
- Dane produktu
- Dane podstawowe
- Zdjęcia
- Akcesoria
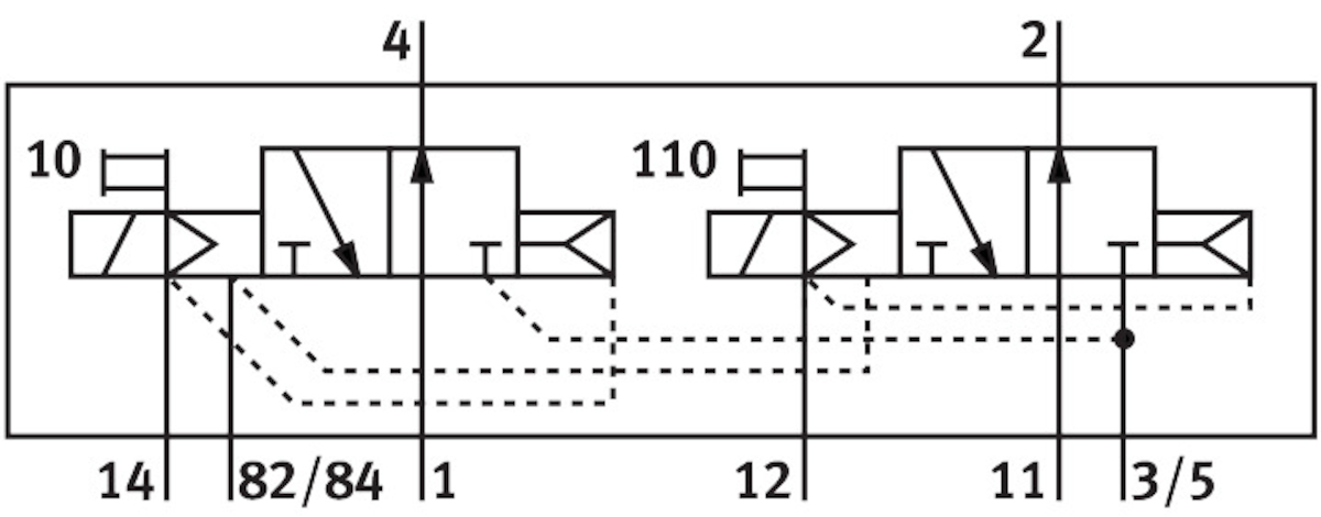
- Funkcja zaworu2x3/2 otwarty, monostabilnyWielkość zaworu10 MMStopień ochronyIP65Ciśnienie robocze/MPAod -0.09 do 1 MPACiśnienie robocze/BARod -0.9 do 10 BARKonstrukcjaZawór tłoczkowo-suwakowySposób powrotusprężyna pneumatycznaFunkcja odpowietrzeniabez dławieniaSposób uszczelnieniamiękkiPomocnicze sterowanie ręcznez blokadąRodzaj sterowaniasterowanie pilotemPrzyłącze zasilania powietrzem pilotówzewn.Kierunek przepływujednokierunkowySymbol00991811Pokrycieprzekrycie dodatnieWartość bod 0.4Wartość Cod 1.6 LSBCzas wyłączaniaod 25 MSCzas włączaniaod 17 MSCzas pracy ciągłej100% w połączeniu z redukcją prądu podtrzymaniaPrzyłącze pneumatyczne 4M7Pozycja montażudowolnyMaks. dodatni impuls testowy przy sygnale 0od 1400 MISMaks. ujemny impuls testowy na 1 sygnaleod 700 MISMedium roboczeSprężone powietrze wg ISO 8573-1:2010 [7:4:4]Uwaga dotycząca medium roboczego/sterującegoMożliwa praca z powietrzem olejonym (po rozpoczęciu olejenia trzeba je kontynuować)Klasa odporności korozyjnej wg normy Festo2 - średnie obciążenie korozyjneZgodność z LABSVDMA24364-B1/B2-LTemperatura mediumod -5 do 50 GCTemperatura otoczeniaod -5 do 50 GCWaga produktuod 70 GTyp mocowaniaPrzy pomocy otworów przelotowychPrzyłącze pneumatyczne 1Przyłącze zbiorczePrzyłącze pneumatyczne 2M7Informacja o materiałachZgodność z dyrektywą RoHSMateriał uszczelnieńHNBRMateriał obudowyAluminiowy odlew ciśnieniowy
Pliki do pobrania:
- Karta Produktu
-
- Brak danych dla tego produktu
Pliki do pobrania:
- Karta Produktu
-
-
Pliki do pobrania:
- Karta Produktu
-
Skontaktuj się z nami wybierając interesujący Cię region



