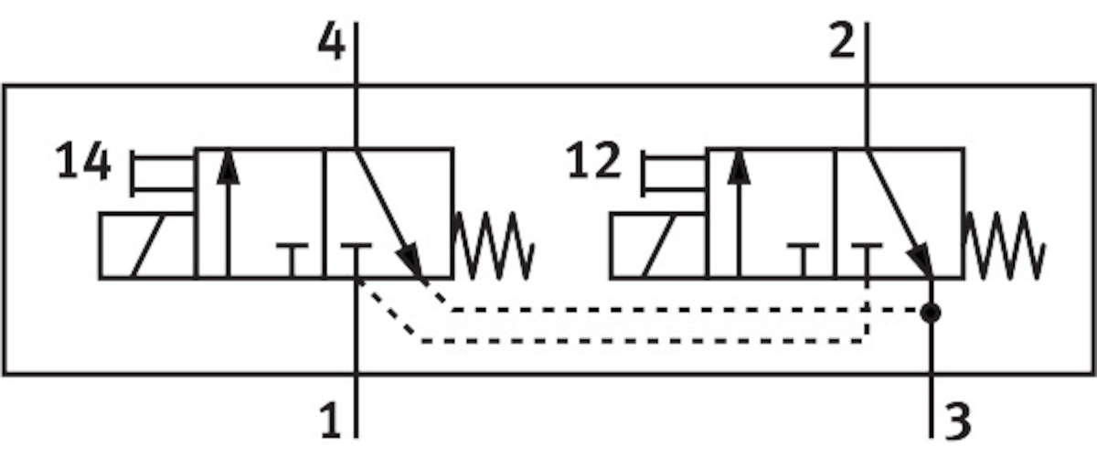
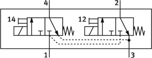
Elektrozawór VOVC
| Funkcja zaworu | 2x3/2 zamknięty monostabilny |
| Wielkość zaworu | 10 MM |
| Stopień ochrony | IP40 |
| Ciśnienie robocze/MPA | do 0.8 MPA |
| Ciśnienie robocze/BAR | do 8 BAR |
| Konstrukcja | Zawór gniazdowy ze sprężyną powrotną |
| Sposób powrotu | sprężyna mechaniczna |
| Funkcja odpowietrzenia | bez dławienia |
| Sposób uszczelnienia | miękki |
| Pomocnicze sterowanie ręczne | bez blokady - z blokadą |
| Rodzaj sterowania | bezpośrednie |
| Kierunek przepływu | jednokierunkowy |
| Symbol | 00992266 |
| Pokrycie | pokrycie ujemne |
| Wskaźnik stanu sygnału | LED |
| Wartość b | od 0.24 |
| Wartość C | od 0.048 LSB |
| Przepływ zaworu | 10 L2 |
| Przepływ zaworu, zabudowanego na bloku pneumatycznym | od 10 L2 |
| Czas wyłączania | od 4.7 MS |



