Tu jesteś:
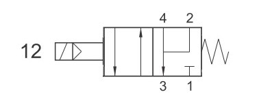
- Elektrozawór 4/2, ciśnienie 10 bar, G 1/4, Aignep, NAMUR, monostabilny
-
-
Flowmatik
-
Napędy pneumatyczne
-
Sprężyny gazowe i amortyzatory przemysłowe
-
Zawory i elektrozawory pneumatyczne
-
Zawory elektromagnetyczne membranowe
-
Łączniki przewodów i rur
-
Armatura gwintowana
-
Szybkozłącza, złącza do węży
-
Armatura przemysłowa ze stali nierdzewnej
-
Przygotowanie powietrza - bloki, reduktory, filtry
-
Zawory kulowe - Armatura Przemysłowa
-
Węże pneumatyczne, węże przemysłowe
-
Festo
-
SMC
-
Technika pomiarowa
-
Technika próżniowa
-
Próżnia przemysłowa
-
Kleje, Smary, Spraye
-
Kompresory
-
Osuszacze, uzdatnianie powietrza
-
Zawory bezpieczeństwa
-
Zbiorniki ciśnieniowe
-
Instalacje pneumatyczne
-
Narzędzia pneumatyczne
-
Technika lakiernicza
-
Pompy przemysłowe
-
Urządzenia pomiarowe
-
Bezpieczna pneumatyka
-
Hydraulika siłowa
-
Nowości w ofercie
-
Wyprzedaż
-
| Medium | przefiltrowane sprężone powietrze |
| Smarowanie | nie jest wymagane |
| Ciśnienie robocze | 2 - 10 bar |
| Temperatura otoczenia | -10 ÷ +60 °C |
| Temperatura medium | -10 ÷ +60 °C |
| Średnica trzpienia cewki | 9 mm |
| Funkcja zaworu | 4/2 monostabilny |
| Przepływ | 1200 l/min |
| A | 40 |
| B | 22 |
| D | 34,2 |
| E | 24 |
| F | 32 |
| G | G 1/4 |
| ØH | 5,2 |
| ØI | 5,5 mm |
| L | 3 |
0/5 0
ekspresowe dostawy
wygodne płatności
zakupy 24h
gwarancja jakości
- Warianty produktu
- Akcesoria
- Opinie
- Pliki do pobrania
Warianty produktu
Filtry
Nr katalogowy
Funkcja zaworu
Przepływ [l/min]
Akcesoria
Opinie
Ten produkt nie ma jeszcze opinii
Pliki do pobrania
Ten produkt nie posiada plików do pobrania
Wyprzedaż!
MPW-SD25-050
Przewód przyłączeniowy Multipin do wyspy zaworowej MPV, 5m
KEY-PRZYCISK
Przełącznik obrotowy zamykany kluczem dwupozycyjny, bistabilny, AZ Pneumatica
01VP03NC02
Zawór rozdzielający pneumatyczny 3/2 G 1/8 NC, monostabilny, ATEX
01VP050002
Zawór pneumatyczny 5/2, G1/8, powrót sprężyną
01VP150002
Zawór pneumatyczny 5/2, G1/8, bistabilny
MS 304 UL
Zawór rozdzielający mini 3/2 do węża fi 4 mm, NC z dźwignią jednokierunkową, przyłącze boczne
01VS150003
Elektrozawór pneumatyczny rozdzielający 5/2 G 1/4 bistabilny, ATEX
01VP03NC05
Zawór rozdzielający pneumatyczny 3/2 G 1/2 NC, monostabilny, ATEX
FESTO-575511
VUVS-L25-M52-MD-G14-F8-1C1 Elektrozawór

Opiekunem kategorii jest:
Jerzy Witkoś
Product Manager
E-mail: jerzy.witkos@pneumat.com.pl
Biogram
Od 6 lat w dziale armatury przemysłowej w firmie Pneumat. Swoją wiedzę z zakresu pneumatyki zdobywał na takich obiektach jak rafinerie czy elektrownie. Stale poszerza swoją wiedzę z obszaru technik sterowania pneumatycznego i elektrycznego.

Opiekunem kategorii jest:
Jerzy Witkoś
Product Manager
E-mail: jerzy.witkos@pneumat.com.pl
Biogram
Od 6 lat w dziale armatury przemysłowej w firmie Pneumat. Swoją wiedzę z zakresu pneumatyki zdobywał na takich obiektach jak rafinerie czy elektrownie. Stale poszerza swoją wiedzę z obszaru technik sterowania pneumatycznego i elektrycznego.
Skontaktuj się z nami wybierając interesujący Cię region
Korzyści zakupów
Darmowa przesyłka od 500 zł
2% zniżki na nocne zakupy
Odbiór zamówień już na drugi dzień
Produkcja siłowników w 24h
Wygodne metody płatności



