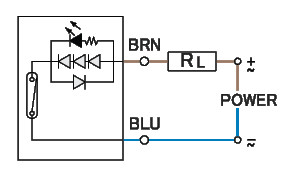
Czujnik położenia tłoka kontaktronowy KT65R-5M
| Typ | KT65R-5M |
| Typ czujnika | Kontraktronowy |
| Stan | Normalnie otwarty |
| Zasilanie | 5-240V DC/AC V |
| Prąd przełączany | 100mA max. |
| Moc maksymalna | 10W max. |
| Spadek napięcia | max. 3.0V |
| Połączenie elektryczne | Kabel PUR, 2-przewodowy, dł. 5 m |
| Częstotliwość pracy | 200Hz |
| Zakres temperatur | -10/+70°C °C |
| Stopień ochrony | IEC 60529 IP67 |
| Dioda LED | Czerwona |






