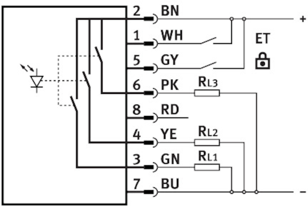
Czujnik koloru SOEC
| Konstrukcja | Konstrukcja blokowa |
| Metoda pomiaru | Czujnik koloru |
| Maks. plamka świetlna | Ø 4 mm dla szerokości skanowania 22 mm |
| Zakres roboczy | od 12 do 32 MM |
| Temperatura otoczenia | od -10 do 55 GC |
| Wyjście dwustanowe | PNP |
| Funkcja elementu przełączającego | Przełączanie na jasno |
| Maks. częstotliwość przełączania | 500 HZ |
| Maks. prąd wyjściowy | od 100 MA |
| Spadek napięcia | od 2.4 V |
| Zabezpieczenie przeciwzwarciowe | Pulsed |
| Zakres napięcia roboczego DC | od 10 do 30 V |
| Tętnienia resztkowe | 10 % |
| Prąd jałowy | od 40 MA |
| Ochrona przed zmianą polaryzacji | do wszystkich przyłączy elektrycznych |
| Typ mocowania | Przy pomocy otworów przelotowych |
| Waga produktu | od 38 G |
| Materiał obudowy | ABS |
| Wskaźnik gotowości do pracy | Dioda LED zielona |
| Wskaźnik stanu przełączenia | Dioda LED |



