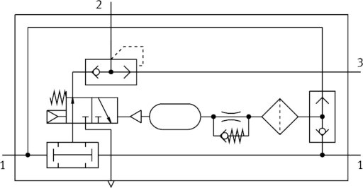
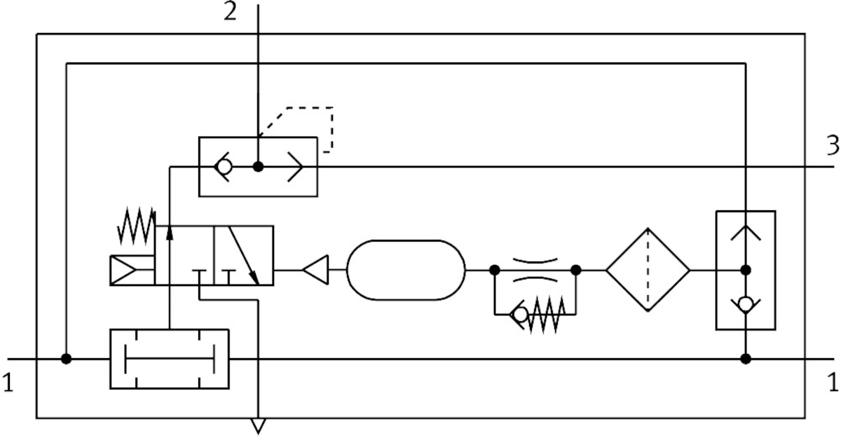
Blok sterowania oburęcznego ZSB
| Ciśnienie robocze/MPA | od 0.4 do 0.8 MPA |
| Ciśnienie robocze/BAR | od 4 do 8 BAR |
| Średnica nominalna | od 4 MM |
| Pozycja montażu | dowolny |
| Odporność na wstrząsy | Test odporności na wstrząsy o stopniu intensywności 2 wg FN 942017-5 i EN 60068-2-27 |
| Klasa odporności korozyjnej wg normy Festo | 1 - niskie obciążenie korozyjne |
| Zgodność z LABS | VDMA24364-B1/B2-L |
| Temperatura otoczenia | do 60 GC |
| Waga produktu | od 420 G |
| Typ mocowania | opcjonalnie: |
| Informacja o materiałach | Zgodność z dyrektywą RoHS |
| Sposób uruchamiania | pneumatyczny |



