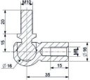
Mocowanie sprężyny gazowej z gwintem M8-M10 przegub kulowy, fi 16 mm, długość 35 mm, do 2100N 92262-10-8
numer katalogowy: 92262-10-8
kategoria: Mocowania przegubowe
Ocena średnia: Pneumat System nie weryfikuje treści opinii zamieszczanych na stronie internetowej.
(0 opinii)





