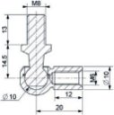
Mocowanie sprężyny gazowej z gwintem M6-M8 przegub kulowy, fi 10 mm, długość 20 mm, do 800N 92221-10E
numer katalogowy: 92221-10E
kategoria: Mocowania przegubowe
Ocena średnia: Pneumat System nie weryfikuje treści opinii zamieszczanych na stronie internetowej.
(1 opinia)





