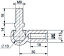
Mocowanie sprężyny gazowej z gwintem M6-M8 przegub kulowy, fi 13 mm, długość 30 mm, do 1200N 92220-13E
numer katalogowy: 92220-13E
kategoria: Mocowania przegubowe
Ocena średnia: Pneumat System nie weryfikuje treści opinii zamieszczanych na stronie internetowej.
(1 opinia)





