Tu jesteś:
- Zawór pneumatyczny sterowania dwuręcznego fi6 AZ Pneumatica
Zawór pneumatyczny sterowania dwuręcznego fi6 AZ Pneumatica 08.304.4
numer katalogowy: 08.304.4
kategoria: Zawór sterowania dwuręcznego
Ocena średnia: Pneumat System nie weryfikuje treści opinii zamieszczanych na stronie internetowej.
(0 opinii)
- Dane produktu
- Dane podstawowe
- Akcesoria
- Zdjęcia
- Dane produktu
- Dane podstawowe
- Zdjęcia
- Akcesoria
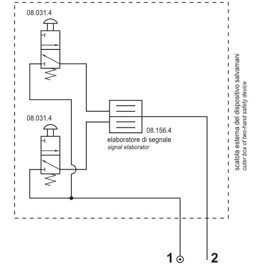
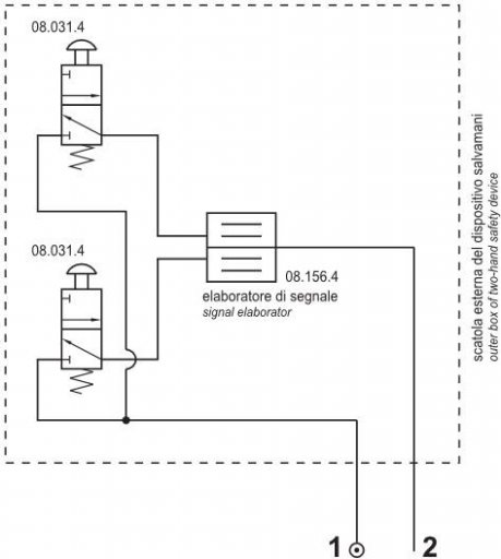
- Ciśnienie robocze3-8 barPrzyłączefi6Przepływ nominalny100 NI/min
Pliki do pobrania:
- Karta Produktu
-
- Mediumprzefiltrowane sprzężone powietrzeSmarowanienie jest wymaganeUszczelnieniaNBRMateriał korpusualuminium 11SMateriał sprężynystal nierdzewnaZakres temperatur-10°C - +60°C °CDopuszczalne opóźnienie naciśnięcia przycisków< 0,5 s (zależy od ciśnienia - wykres powyżej)
Pliki do pobrania:
- Karta Produktu
-
-
Pliki do pobrania:
- Karta Produktu
-
Wyprzedaż!
MPW-SD25-050
Przewód przyłączeniowy Multipin do wyspy zaworowej MPV, 5m
KEY-PRZYCISK
Przełącznik obrotowy zamykany kluczem dwupozycyjny, bistabilny, AZ Pneumatica
01VP03NC02
Zawór rozdzielający pneumatyczny 3/2 G 1/8 NC, monostabilny, ATEX
01VP050002
Zawór pneumatyczny 5/2, G1/8, powrót sprężyną
01VP150002
Zawór pneumatyczny 5/2, G1/8, bistabilny
01VS050002
Elektrozawór pneumatyczny rozdzielający 5/2 G 1/8 monostabilny (sprężyna mechaniczna), ATEX
MS 304 UL
Zawór rozdzielający mini 3/2 do węża fi 4 mm, NC z dźwignią jednokierunkową, przyłącze boczne
01VS050003
Elektrozawór pneumatyczny rozdzielający 5/2 G 1/4 monostabilny (sprężyna mechaniczna), ATEX
01VS150003
Elektrozawór pneumatyczny rozdzielający 5/2 G 1/4 bistabilny, ATEX
SVE5 52 100
Elektrozawór ISO1 5/2
01VP03NC05
Zawór rozdzielający pneumatyczny 3/2 G 1/2 NC, monostabilny, ATEX
FESTO-575511
VUVS-L25-M52-MD-G14-F8-1C1 Elektrozawór

Opiekunem kategorii jest:
Jerzy Witkoś
Product Manager
E-mail: jerzy.witkos@pneumat.com.pl
Biogram
Od 6 lat w dziale armatury przemysłowej w firmie Pneumat. Swoją wiedzę z zakresu pneumatyki zdobywał na takich obiektach jak rafinerie czy elektrownie. Stale poszerza swoją wiedzę z obszaru technik sterowania pneumatycznego i elektrycznego.

Opiekunem kategorii jest:
Jerzy Witkoś
Product Manager
E-mail: jerzy.witkos@pneumat.com.pl
Biogram
Od 6 lat w dziale armatury przemysłowej w firmie Pneumat. Swoją wiedzę z zakresu pneumatyki zdobywał na takich obiektach jak rafinerie czy elektrownie. Stale poszerza swoją wiedzę z obszaru technik sterowania pneumatycznego i elektrycznego.
Skontaktuj się z nami wybierając interesujący Cię region



